Home > Products > Communication Module > Srwf-1021 Wireless RF Module 433/470/868/915MHz Data Module
              Srwf-1021 Wireless RF Module 433/470/868/915MHz Data Module
              • Srwf-1021 Wireless RF Module 433/470/868/915MHz Data ModuleSrwf-1021 Wireless RF Module 433/470/868/915MHz Data Module
              • Srwf-1021 Wireless RF Module 433/470/868/915MHz Data ModuleSrwf-1021 Wireless RF Module 433/470/868/915MHz Data Module

              Srwf-1021 Wireless RF Module 433/470/868/915MHz Data Module

              1.Product introductionSRWF-1021, the low-power wireless transceiver data module is used as the wireless data transceiver in short-ranges, with the small size, weight and power consumption and good stability and reliability. Narrowband low power UHF wireless data transmitters and receivers with 50 kH......

              Send Inquiry

              Product Description

              1.Product introduction
              SRWF-1021, the low-power wireless transceiver data module is used as the wireless data transceiver in short-ranges, with the small size, weight and power consumption and good stability and reliability. Narrowband low power UHF wireless data transmitters and receivers with 50 kHz channel band:


              2. Technical Specification
                
              Serial
              number

              Item
               
              Parameter

              Note
              1Modulation modeGFSK/FSK  

              2

              Working frequency

              433/470/868/915MHz
               
              3Transmitting power10dBm(433/470MHz),5dBm(868/915MHz) 
               

              Receiving
              -118 dBm
              -118 dBm
               433MHz@1200bps
              470MHz@1200bps
                   
               sensitivity-116 dBm 868MHz@1200bps
                -116 dBm 915MHz@1200bps

              5

              Channel counts

              8channel
               16/32 channel
              custom-made
              6Transmitting current38±2mA  
              7Receiving current28±2mA  
              8Sleeping current5±2uA -40ºC~60ºC
              9Interface velocity1200/2400/4800/9600/19200bps 

              10

              Interface mode

              UART TTL/RS-232/RS-485
              User setting, 19200
              bps TTL only
              11Power supply+3.3~5VDC  

              12
              Working
              temperature

              -25ºC~ 75ºC
               -40ºC~85ºC
              custom-made

              13

              Working humidity
              10%~90%(relative humidity without
              condensation)
               
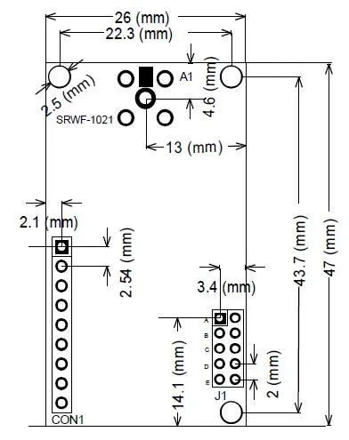
              14Dimension47mm×26mm×10mm  



              15


              Reliable transmit distance
              800m@ AT-4 antenna433MHz@1200bps 
              800m@ AT-4 antenna470MHz@1200bps 
              400m@ AT-4 antenna868MHz@1200bps 
              300m@ AT-4 antenna915MHz@1200bps 


              3.Product features and application
              Features:
              1. The adjustable transmitting power
              2. Multiple working frequency band
              3. High  anti-interference  and  low  BER(Bit  Error Rate)
              4. Multi-Channel
              5. Multi-interface modes
              6. Multi-baud rate and serial port data format
              7. Meet both industrial or residential designs
              8. Low  power  sleep  mode,  suitable for battery powered systems
              9. Electrostatic protection
              10. The  standard  design,  meet  various international standards


              Application:
              1). Water, electricity, gas, heating automatic meter reading and charging system.
              2). Active RFID electronic label
              3). Municipal street lighting and wireless intelligent lighting control
              4). M2M industrial equipment and instruments
              5). Monitoring the operation state of wind power generator
              6). LED display for the fairway buoy and field temporary site
              7). Wireless crane scale, wireless electronic scale
              8). Interactive voting, bank queuing management system
              9). Automotive collision avoidance, alarm, rescue system
              10). Building energy consumption monitoring, wireless sensor network
              11). Intelligent household management system
              12).I
              ntelligent transportation data communication





              4.Product details
              Srwf-1021 Wireless RF Module 433/470/868/915MHz Data Module

              Related Category

              Send Inquiry

              Please Feel free to give your inquiry in the form below. We will reply you in 24 hours.
              Click Refresh verification code

              Leave Your Message

              • Click Refresh verification code